Key Technical Specifications
| Model | Rated voltage (kV) | Rated current (A) | 4S Thermal Stability Current (kA) | Dynamic Stability Current (kA) |
| GN19-12/400-12.5 | 12 | 400 | 12.5 | 31.5 |
| GN19-12C/400-12.5 | 12 | 400 | 12.5 | 31.5 |
| GN19-12/630-20 | 12 | 630 | 20 | 50 |
| GN19-12C/630-20 | 12 | 630 | 20 | 50 |
| GN19-12/1000-31.5 | 12 | 1000 | 31.5 | 80 |
| GN19-12C/1000-31.5 | 12 | 1000 | 31.5 | 80 |
| GN19-12/1250-40 | 12 | 1250 | 40 | 100 |
| GN19-12C/1250-40 | 12 | 1250 | 40 | 100 |
Primary Dimensions

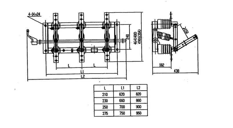
GN19-12/400, 630 Indoor High-Voltage Disconnect Switch External Dimensions Drawing

GN19-12/1000, 1250 Indoor High-Voltage Disconnect Switch External Dimensions Drawing

GN19-12C/400, 630 Indoor High-Voltage Disconnect Switch External Dimensions Drawing
GN19-12C/1000, 1250 Indoor High-Voltage Disconnect Switch External Dimensions Drawing